Access Hardware - The Design Engineer's Guide

Access Hardware - Design Engineer's Guide header

You’re designing an industrial cabinet. Among the issues you have to consider are security and perhaps vibration protection and noise reduction. Outdoor utility cabinets, electrical cabinets, machinery, industrial generator parts, HVAC components and data cabinets all need at least one of these issues addressed.

Our range of access hardware solutions can help you with all your requirements, delivering security, controlled access, productive operation and reduction in unnecessary repair costs.

This guide is designed to give you an introduction to key applications for access hardware, including:

 We provide free CADs and free samples so you can verify form, fit and function.

IP and NEMA ratings

As a design engineer, you’re familiar with IP ratings for outdoor enclosures and some indoor cabinets. IP ratings – short for Ingress Protection or International Protection – is better known in Europe, while NEMA is usually used in North America. Both IP and NEMA electrical enclosures require access hardware with the same rating in order to maintain their rating.

Both ratings tell you the amount of protection electrical or industrial enclosures provide against the entry of solid foreign objects and against moisture ingress. You’ll find approximate conversions of IP to NEMA ratings in our guide What are NEMA and IP ratings?. Below is an example of how NEMA and IP convert. Note, the numbers in IP ratings denote protection from solids and liquids.

Enclosure Type

NEMA IP code NEMA Definitions Solid Protection Liquids Protection
3 IP54 For either indoor or outdoor use
Protects personnel from incidental contact with enclosed equipment
Protects from falling dirt, rain, sleet, snow, & windblown dust, and external formation of ice
5 = Protected against dust
Limited ingress permitted
4 = Water sprayed from all directions
Limited ingress permitted
4 IP65 For indoor or outdoor use
Protects personnel from incidental contact with enclosed equipment
Protects from falling dirt, windblown dust; rain, sleet, snow, splashing water, hose-directed water; and external formation of ice
5 = Protected against dust
Limited ingress permitted
6 = Strong jets of water from all directions
Limited ingress permitted

 

HVAC

  • Air conditioning
  • Industrial refrigeration
  • Heating units

Enhance functionality and protect your HVAC system components against noise and vibration. You’ll also need to think about how you manage your cables, so check out The Ultimate Guide to Cable Management.

Secure your design with:

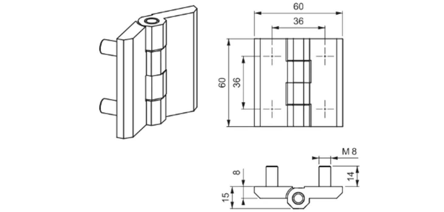
3D Adjustable HVAC Hinge

3D Adjustable HVAC Hinge

  • Suitable for three-dimensional door adjustment
  • Ideal for large, flush-fitting doors
  • Left and right-handed surface mounting and orientation are available
  • Zinc alloy with steel pin

*Dimensions in millimeters

Handle Turn Cam Latches

Handle Turn Cam Latches

  • Range of styles – HVAC handle shown here
  • Removable handle for easy assembly on site
  • Roller cam design allows for less force and smooth locking action
  • Universal design accommodates both left- and right-hand doors
  • Example left: Nylon L Handle latch with nylon roller cam work for multiple panel and door thicknesses
  • Adjustable T-handle compression latch for better sealing under vibration conditions available.

*Dimensions in millimeters

Sealing Gaskets

Sealing Gaskets

  • Clip-on profiles offering edge protection and sealing
  • Protection from vibrations, ingress of humidity and dirt
  • Different variants available – side bubble gasket seal seen below
  • Weather stripping tape and gasket tape available.

*Dimensions in millimeters

Outdoor and Indoor Cabinets

  • Outdoor telecom enclosures
  • Data cabinets
  • Junction boxes

From door-securing solutions, to different types of cabinet hinges, these products will help drive repeat purchases from your customers. You might also find it helpful to read our Quick guide: industrial components for your indoor cabinet.

Design quality products with:

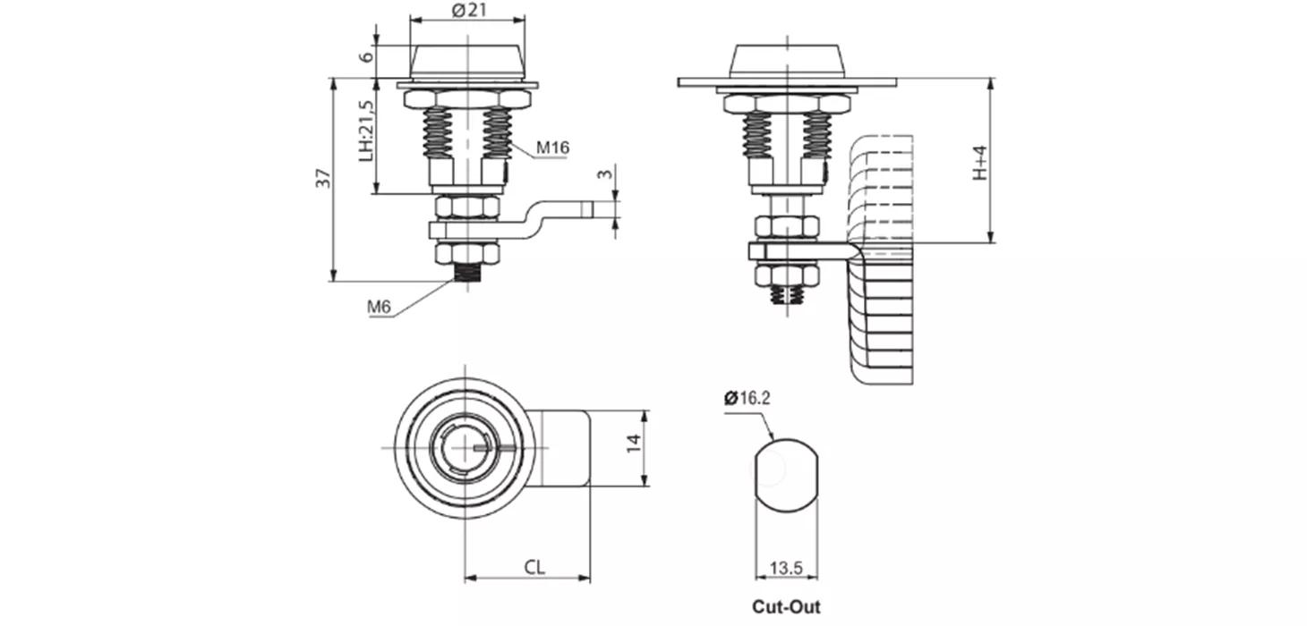
Cylinder Locking Cam Latches

Cylinder Locking Cam Latches

  • IP65 quarter-turn latch – converts approximately to NEMA 4*
  • Available in zinc alloy and nylon cam lock options
  • Two keys supplied with each lock
  • Cam sold separately

*Conversions can vary; please check before purchasing

Screw-On Concealed Hinge

Screw-On Concealed Hinge

  • Concealed hinges prevent tampering from outside
  • Removable, also known as take-apart hinge
  • Perfect for heavy-duty applications
  • Suitable for doors with 25mm bend
  • 110˚ hinge rotation
  • Steel with a zinc-plated finish to resist corrosion
Continuous Hinge

Continuous Hinge

  • Continuous hinge, also known as a piano hinge, distributes weight evenly across full door
  • Light-to-medium duty applications such as access panels
  • Strong chemical resistance to oil, solvents and seawater
  • Modified Polyolefin Co-polymer

Generators

  • Transfer switches
  • Transformers
  • Industrial generators

We offer a wide range of solutions designed to meet your specific requirements for controlled access. Note, generators produce vibrations, so you need more than just access hardware to protect your application. A good start is A Guide to Anti-Vibration Mounts.

Protect your design with:

Locking Paddle Latch

Locking Paddle Latch

  • Heavy-duty door latch
  • Push to close (Slam shut)
  • IP54 rating (converts approximately to NEMA 3*)
  • Moving cam safety feature – lock can be opened from inside by moving the cam
  • Available with brass or zinc alloy cam
  • Keyed alike, keyed different, padlockable or keyless variants available
  • Paddle-handle locking latch variant for Eurokey, for applications exported to select European countries

*Conversions can vary; please check before purchasing

*Dimensions in millimeters

Countersunk Mount Leaf Hinge

Countersunk Mount Leaf Hinge

  • These are commonly referred to as strap hinges
  • Range of styles – free swinging hinge, version 5, shown here
  • Heavy-duty steel hinges for plain/flush mounted, isolated, heavy doors
  • Maximum hinge rotation 180°
  • Example shown below: steel with stainless steel pin

*Dimensions in millimeters

Compression Latches

Compression Latches

  • Adjustable compression latch – snug fit
  • Good compression, noise dampening and better sealing under vibration conditions
  • IP65 rated (converts approximately to NEMA 4*)
  • Three cam variants available
  • Die-cast zinc alloy

*Conversions can vary; please check before purchasing

Compression_Latches_table.png

Cam types examples for compression latches

Machine Building

  • Industrial machinery
  • Fabrication
  • Commercial vending

Prevent malfunctions in applications that are in constant use with a wide range of industrial designed solutions. If your application is outdoors, you might also find it worthwhile to read Quick guide: industrial components for outdoor cabinets.

Enhance the life of your design with:

Mini Cam Latches

Mini Cam Latches

  • Adjustable compression latch
  • Ideal for limited spaces
  • Good compression and noise dampening
  • Supplied with sealing gasket
  • IP65 rated (converts approximately to NEMA 4*)
  • Three cam types available
  • Die-cast zinc

*Conversions can vary; please check before purchasing

*All dimensions in millimeters

Leaf Hinges – Threaded Stud Mount

Leaf Hinges – Threaded Stud Mount

  • For heavy, flush-mounted doors with threaded stud installations
  • Commonly referred to as Butt Hinges
  • Different variants available
  • Maximum hinge rotation 270°
  • Suitable for left- and right-hand applications
  • Designed for repeated daily use; provides uniform load stress to doors
  • Zinc alloy with stainless steel pin

*Dimensions in millimeters

Adjustable w/ Secondary Lock Draw Latch & Keep

Adjustable w/ Secondary Lock Draw Latch & Keep

  • Also known as a toggle latch; operated by hand
  • Designed for flexibility and security
  • Secondary locking button prevents accidental opening
  • Stainless steel

Dimensions in millimeters

Access Hardware Customisation Essentra Components

Customize to your own requirements

Not every application is the same, so you can customize our standard ranges such as locks, latches and hinges to suit your needs.

Here’s an example of how to customize your latch:

Choose your lock type, then decide to specify inserts, housing and the cam lock design to meet your requirements.

Prefer a nylon insert over stainless steel? Want to increase the grip range of your lock?

It’s your choice. If you want advice, our experts are happy to help you with your made-to-order solution.

Download free CADs and try before you buy

Free CADs are available for most solutions, which you can download. You can also request free samples to make sure you’ve chosen exactly what you need. If you’re not quite sure which solution will work best for your application, our experts are always happy to advise you.

Whatever your requirements, you can depend on fast despatch. Request your free samples or download free CADs now.

Questions?

Email us at sales@essentracomponents.com or speak to one of our experts for further information on the ideal solution for your application 800-847-0486.